 |
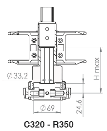
| ENROLLADOR MANUAL C320 |
| DIMENSIONES |
| |
Estándar |
Con cubre tensor |
| |
mm |
pulgadas |
mm |
pulgadas |
| A |
44 |
1 47/64'' |
Ver estándar |
| B |
10 |
13/32’’ |
Ver estándar |
| C |
22 |
55/64’’ |
Ver estándar |
| D |
180 |
7 3/32'' |
Ver estándar |
| ØD1 |
200 |
7 7/8'' |
Ver estándar |
| E |
79 |
3’1/8’’ |
Ver estándar |
| F |
461 |
1 6 1/4'' |
575 |
1' 10 3/4'' |
| G |
96 |
3 3/4'' |
Ver estándar |
| Hmax |
110 |
4’ 21/64'' |
424 |
1' 4 3/4'' |
| I |
109 |
4 1/2’’ |
Ver estándar |
| J |
72 |
2’53/64'' |
Ver estándar |
| K |
33 |
1’1/4'’ |
Ver estándar |
| L |
181 |
7 1/4’’ |
495 |
1' 7 1/2'' |
| L1 |
18 |
45/64’’ |
Ver estándar |
| M |
64 |
2’33/64’’ |
Ver estándar |
| N |
17 |
43/64’’ |
Ver estándar |
| O |
- |
- |
- |
| P |
157 |
6 3/16'' |
Ver estándar |
| Q |
88 |
3’15/32'' |
Ver estándar |
| R |
66 |
2’19/32'' |
Ver estándar |
| S |
- |
- |
- |
| Tmax |
32 |
1 17/64'' |
Ver estándar |
| U |
199 |
7 53/64'' |
Ver estándar |
| V |
92 |
3 5/8'' |
Ver estándar |
| W |
97 |
3 13/16'' |
Ver estándar |
| X |
- |
- |
52 |
2 3/64'' |
| Y |
32 |
1 17/64'' |
Ver estándar |
| Z |
12160 |
39' 10 3/4'' |
12475 |
39' 10 3/4' |
| Chapas largas |
Larga |
Media |
| a |
340 |
1' 1 1/12'' |
180 |
7’3/32'' |
| b |
305 |
1 1/64'' |
145 |
5’7/8'' |
| c |
270 |
10 5/8'' |
110 |
4 21/64'' |
| d |
235 |
9’1/4'' |
75 |
2 61/64'' |
| e |
4 |
5/32'' |
4 |
5/32'' |
| f |
16 |
19/32'' |
16 |
19/32'' |
| g |
41 |
1 39/64'' |
41 |
1 39/64'' |
|
| ENROLLADOR MANUAL C320SP bajo cubierta |
| DIMENSIONES |
| |
mm |
| A |
44 |
| B |
10 |
| C |
22 |
| D |
170 |
| ØD1 |
192 |
| E |
79 |
| F |
760 |
| G |
96 |
| Hmax |
460 |
| I |
109 |
| J |
72 |
| K |
33 |
| L |
533 |
| L1 |
20 |
| M |
64 |
| N |
29 |
| O |
50 |
| P |
190 |
| Q |
115 |
| R |
95 |
| S |
250 |
| Tmax |
42 |
| U |
265 |
| V |
115 |
| W |
115 |
| X |
56 |
| Y |
32 |
| Z |
12513 |
| Chapas largas |
|
| a |
200 |
| b |
165 |
| c |
130 |
| d |
95 |
| e |
4 |
| f |
16 |
| g |
41 |
|
|
Estándar
|
Con cubre tensor
|
Chapas largas

|
Dimensiones de las extrusiones del grátil para modelos tipo crucero

|
|
|
Dimensiones interiores del mecanismo del tambor
|
|
|
|
|