 |
| ENROLLADOR MANUAL C290 Estándar |
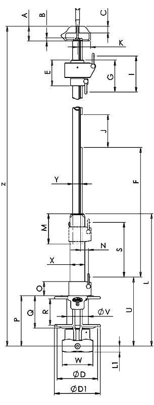
| DIMENSIONES |
| |
mm |
pulgadas |
| A |
44 |
1’47/64'' |
| B |
10 |
13/32’’ |
| C |
22 |
55/64’’ |
| D |
120 |
4’3/4’’ |
| ØD1 |
140 |
5 33/64'' |
| E |
79 |
3’1/8’’ |
| F |
293 |
11 1/2'' |
| G |
96 |
3 3/4'' |
| Hmax |
320 |
1 5/8'' |
| I |
109 |
4 1/2’’ |
| J |
100 |
3 7/8’’ |
| K |
33 |
1 1/4' |
| L |
404 |
1' 3 7/8'' |
| L1 |
18 |
45/64’’ |
| M |
78 |
35/64’’ |
| N |
25 |
63/64’’ |
| O |
45 |
1 49/64’’ |
| P |
150 |
5 29/32’’ |
| Q |
98 |
3 55/64’’ |
| R |
80 |
3 5/32’’ |
| S |
170 |
6 11/64’’ |
| Tmax |
29 |
1 9/64’’ |
| U |
213 |
8 25/64’’ |
| V |
66 |
2 19/32’’ |
| W |
97 |
3’13/16’’ |
| X |
46 |
1 13/16’’ |
| Y |
29 |
1 9/64’’ |
| Z |
10370 |
34 1/4’’ |
| Chapas largas |
Media |
| a |
180 |
7’3/32'' |
| b |
145 |
5’45/64'' |
| c |
110 |
4 21/64'' |
| d |
75 |
2 61/64'' |
| e |
4 |
5/32'' |
| f |
16 |
19/32'' |
| g |
41 |
1’39/64'' |
|
| ENROLLADOR MANUAL C290 bajo cubierta |
| DIMENSIONES |
| |
mm |
| A |
44 |
| B |
10 |
| C |
22 |
| D |
120 |
| ØD1 |
140 |
| E |
79 |
| F |
293 |
| G |
96 |
| Hmax |
320 |
| I |
109 |
| J |
100 |
| K |
33 |
| L |
404 |
| L1 |
18 |
| M |
78 |
| N |
25 |
| O |
45 |
| P |
150 |
| Q |
98 |
| R |
80 |
| S |
170 |
| Tmax |
29 |
| U |
213 |
| V |
66 |
| W |
97 |
| X |
46 |
| Y |
29 |
| Z |
10370 |
| Chapas largas |
|
| a |
180 |
| b |
145 |
| c |
110 |
| d |
75 |
| e |
4 |
| f |
16 |
| g |
41 |
|
|
|
Chapas largas

|
Dimensiones de las extrusiones del grátil para modelos tipo crucero

|
Dimensiones interiores del mecanismo del tambor
|
|